Multibrackets 7350073738816 M VESA Full Motion Medical Arm 1-7kg, Tableside

Product code: 7350073738816

M VESA Full Motion Medical Arm 1-7kg, Tableside - with flexible 4 joint arms, for medical environments, VESA 75, 100, monitor weight 1-7kg, tablemount - white

SEND AN ENQUIRY

Description

Highlights

  • Designed for medical environments
  • Hold monitors 1-7kg weight
  • Light weight & compact
  • Great stability and reach
  • Easy to stow away after use
  • Simple to install
  • Hardware kit included

Additional information

Article No:7 350 073 738 816
Colour:White, colour RAL:9003
For screen size:15-27"
Universal & VESA standard:75x75 100x100 mm
Material:Steel/Aluminum Alloy/Plastic
Weight:~ 11.4 kg
Max load:1~7 kg
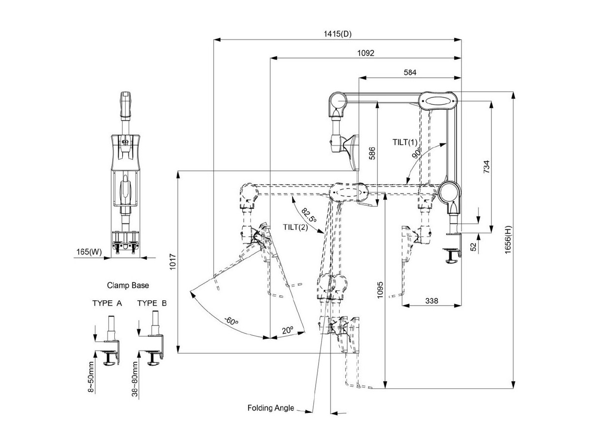
Dimensions:165x1656x1415mm
Hinge tilt:-60° ~ +20°
Hinge swivel:+/-185°
Torque adjust:Yes
Height adjust:1017 mm
Cable Management:Yes
Installation:Table mount
Warranty:2 years

Download Files

Enquiry Form
Error message
Error message
Error message
Error message